Einen Feinstaubsensor bauen

Feinstaubsensor

In dieser Anleitung möchte ich Schritt für Schritt zeigen, wie ein Feinstaubsensor gemäß der Initiative von Luftdaten.Info aufgebaut werden kann.

Arbeitsschritte

  1. Firmware auf Microcontroller übertragen
  2. Komponenten zusammenbauen
  3. W-LAN des Sensors einrichten
  4. Am Standort aufstellen/ befestigen
  5. Einrichtung und Kontrolle der Datenübertragung

Voraussetzungen

  • Die Arduino Software und Pakete für esptool müssen installiert und eingerichtet sein Blogpost mit esptool-Einrichtung

  • Diese Komponenten sind nötig:

    • Feinstaubsensor SDS011
    • Microcontroller ESP8266
    • Temperatur und Feuchtefühler DHT22
    • Steckkäbelchen
    • Kabelbinder
    • Heißkleber
    • Ansaugschlauch
    • Rohrbögen
    • Rohrbefestigungsschelle
Firmware upload

1. Firmware auf Microcontroller übertragen

  • Downlaoad der aktuellen Firmware von https://www.madavi.de/sensor/update/data/latest_de.bin
  • USB-Verbindung zum Computer herstellen
  • USB-Gerät im Terminal ermitteln ls -la /dev
  • Ergebnis z.B. /dev/ttyUSB0
  • Firmware mit diesem Befehl übertragen ~/.arduino15/packages/esp8266/tools/esptool/2.5.0-3-20ed2b9/esptool -vv -cd nodemcu -cb 57600 -ca 0x00000 -cp /dev/ttyUSB0 -cf /home/myuser/mypathto/latest_de.bin Dabei den Speicherort der Software .arduino15/packages/esp8266/tools/esptool/2.5.0-3-20ed2b9/esptool und der Firmware myuser/mypathto/latest_de.bin anpassen!
    Microcontroller

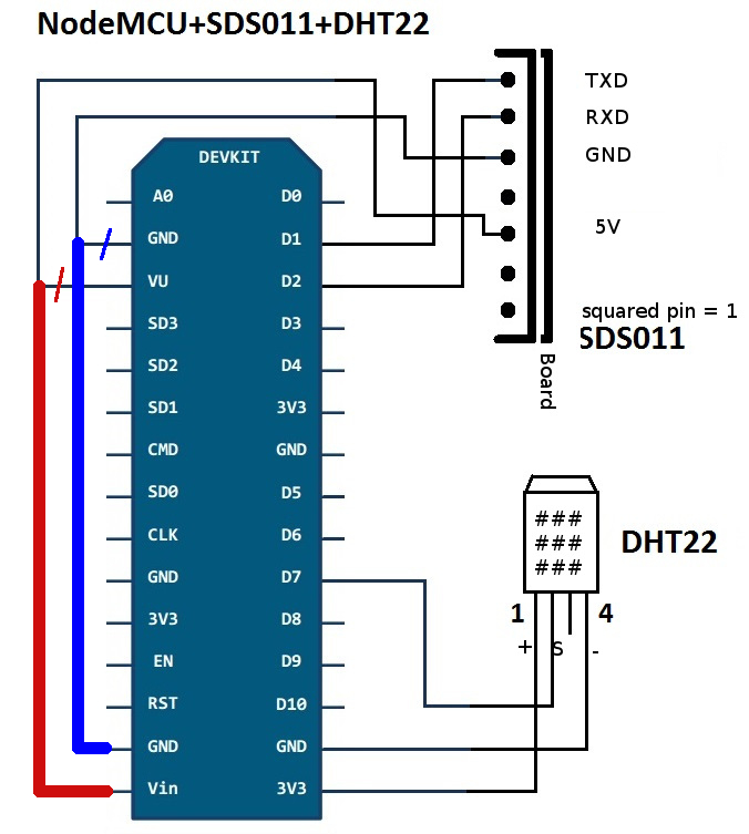
2. Komponenten zusammenbauen

Der Microcontroller wird anhand des Schaltplanes mit dem Feinstaubsensor und dem Temperatur- und Feuchtesensor verkabelt. Bei meinem Modell ergab sich eine Abweichung bei der Stromversorgung, siehe Grafik.

  • 5V (SDS011) -> Vin (esp8266)
  • GND (SDS011) -> GND unten (esp8266)

Auf den USB-Anschluss des Controllers ist das USB-Kabel zur Stromversorgung aufzustecken. Nach bestandenem Funktionstest können die Steckkontakte mit etwas Heißkleber gesichert werden. Zum Schluss schiebt man die Platine des Sensors in den ersten Bogen und steckt den zweiten Bogen auf.

Schaltplan

3. W-LAN des Sensors einrichten

  • Das USB-Kabel wird mit dem Netzteil verbunden, sodass das System mit 230 V versorgt werden kann
  • Der Sensor startet einen WLAN-Accesspoint, die SSID enthält die ID des Sensors
  • Sensor ID für späteren Datenabruf notieren
  • Nun verbindet man z.B. ein Handy zum AP des Sensors und ruft die IP 192.168.4.1 auf
  • Die Software listet verfügbare W-LAN-Netze auf
  • Entsprechendes W-LAN auswählen und Passwort eintragen
  • Speichern und neu starten betätigen
    WLAN-Einstellungen

4. Am Standort aufstellen/ befestigen

Der Sensor muss Sturmfest verankert werden. Auf einem Dach kann man ihn z.B. mittels eines Schirmständers aufstellen. Zu Gebäuden sollte man einen Mindestabstand von einem halben Meter einhalten, vom Boden ca. 2m.

5. Datenübertragung

Nachdem die Stromversorgung wieder hergestellt wurde, vergehen einige Minuten bis die Messwerte des Sensors abgerufen werden können: http://www.madavi.de/sensor/graph.php?sensor=esp8266-nnn-sds011. In dem Link anstelle von nnn die ID des Sensors eintragen esp8266-nnn-sds011

Für die Verfügbarkeit der Sensor-Daten auf Luftdaten.Info muss der Sensor dort registriert werden.

Der Sensor lässt sich auch als OpenSenseBox einstellen. Dann sind die Daten auf der OpenSenseMap abrufbar.

OpenSensBox
OpenSenseMap

Weiterführende Informationen

This article was updated on März 22, 2024